不銹鋼熱處理后,需對所達到的效果進行試驗。除一般力學性能試驗外,還應根據要求進行耐腐蝕試驗。
一、硬度試驗
根據不銹鋼熱處理類型的不同,經常采用的有布氏硬度試驗、洛氏硬度試驗、維氏硬度試驗等。
1.布氏硬度試驗
布氏硬度試驗是對一定直徑的硬質合金球(過去也常用鋼球)施加試驗力壓入試樣表面,經規定的保持時間后,卸除試驗力,再測量試樣表面壓痕的直徑。見圖9-1。
根據試驗力、壓球直徑、壓痕直徑來確定布氏硬度值

式中: F為試驗力(N); D為壓球直徑(mm); d為壓痕直徑(mm),[(d= d1+ d2)/2]; HB為硬度值。采用硬質合金球時記為HBW,采用鋼球時記為HBS。
在實際試驗時,根據試驗材料種類、試樣尺寸、硬度范圍等因素,采用不同直徑的壓球(常用球的直徑有10mm、5mm、2.5mm、1mm),又根據零件的硬度程度,可采用不同的F/D2比值,可有30、10、5、2.5、1。因此,試驗力最小為9.807N,最大為29420N。加載保持時間一般為10~15s,也有20s或更長的。

圖9-1 布氏硬度試驗原理
在實際試驗時,可根據壓痕直徑直接查表確定布氏硬度值。表9-1給出了不同壓球直徑在相應的載荷下,依據壓痕直徑確定的布氏硬度值。
表9-1 金屬布氏硬度(HB)數值表

續表

注:(1)表中壓痕直徑為φ10mm鋼球試驗數值,如用其他尺寸鋼球試驗時,壓痕直徑應增大相應倍數后在表中查出。
(2)表中未列出壓痕直徑的H B值,可根據上下兩數值用內插法計算求得。
在提交布氏硬度試驗報告時,除注明硬度值外,還應標明采用的球材質、球直徑、試驗力及試驗力下的保持時間。
[例1]285HBW10/3000,表示用直徑10mm的硬質合金球,施加29420N(3000kgf)試驗力,保持10~15s條件下測得的布氏硬度值為285。
[例2]269HBS5/125/20,表示用直徑5mm的鋼球,施加1226N(125kgf)試驗力,保持20s條件下測得的布氏硬度值為269。
進行布氏硬度試驗時,試樣表面應光滑、平坦,表面潔凈,表面粗糙度一般不大于R a1.6μm。試樣厚度應大于壓痕深度的8倍以上。試驗壓痕中心距試樣邊緣的距離應大于壓痕直徑2.5倍以上,兩相鄰壓痕之間的中心距離至少為壓痕直徑的3倍。
測量壓痕時,應在同一壓痕的垂直方向分別測量,取兩個實測值的平均值為壓痕直徑值。
國家標準GB/T 231.1《金屬布氏硬度試驗第1部分:試驗方法》中,規定了試驗設備、試樣要求、試驗方法及一些注意事項。
在熱處理生產現場,對于大型工件無法用布氏硬度機試驗時,可采用便攜式或錘擊式布氏硬度計。這類簡易布氏硬度計的測量誤差較大。
布氏硬度試驗適用于奧氏體不銹鋼固溶化、雙相不銹鋼固溶化、馬氏體不銹鋼退火和調質以及沉淀硬化不銹鋼固溶、時效處理后的硬度檢測。
2.洛氏硬度試驗
洛氏硬度試驗是將壓頭先用一個初始試驗力F0壓入試樣表面,壓入深度為h1,見圖9-2,再將主試驗力F1繼續壓入試樣,增加壓入深度為h2,經規定的保持時間后,卸去主試驗力F1,此時,壓頭將回升一段距離h3,測量此時的殘余壓入深度h4,根據殘余壓入深度h4和常數N及S計算洛氏硬度

式中: N為給定標尺的硬度數常數; S為給定標尺的單位(mm)。
洛氏硬度壓頭、初始試驗力F0、主試驗力F1、計算常數N和S都依據洛氏硬度標尺的不同而不同。見表9-2。

F0:初始試驗力(N)
F1:主試驗力(N)
h1: F0下的壓入深度(mm) h2: F1引起的壓入深度(mm)
h3:去除F1后回復深度(mm)
h4:殘余壓入深度(mm)
圖9-2 洛氏硬度試驗原理圖
洛氏硬度的實測值均可在洛氏硬度計表盤或顯示屏中顯示。
依據不銹鋼的種類及熱處理方式的不同,常用的有HRA、HRB、HRC、HRN等。
[例3]60HRC,表示用洛氏硬度C標尺測得的洛氏硬度為60。
[例4]60HRB,表示用洛氏硬度B標尺,測得的洛氏硬度為60。
進行洛氏硬度試驗時,試樣表面應光滑平坦,表面潔凈,試樣表面粗糙度不大于0.8μm。對于用金剛石圓錐壓頭進行的試驗,試樣或試驗層的厚度應不小于殘余壓痕深度的10倍;對于用球壓頭進行的試驗,試樣或試驗層的厚度不小于殘余壓痕深度的15倍。兩次壓痕的間距應大于3倍壓痕直徑,壓痕距試樣邊緣應大于2.5倍壓痕直徑。
國家標準GB/T 230.1《金屬洛氏硬度試驗第1部分:試驗方法》中,規定了試驗設備、試樣要求、試驗方法及一些注意事項。


3.維氏硬度試驗
維氏硬度試驗是將頂部兩相對面具有規定角度的正四棱錐體金剛石壓頭用試驗力壓入試樣表面,保持規定的時間后,卸除試驗力,測量試樣表面壓痕的對角線長度來評定硬度的試驗方法。維氏硬度試驗原理見圖9-3。

圖9-3 維氏硬度試驗原理示意圖
維氏硬度值是試驗力除以壓痕表面積所得的商,壓痕被視為具有正方形基面并與壓頭角度相同的理想形狀。式中: F為試驗力(N); d為壓痕兩個對角線長度的算術平均值(mm)。
在實際試驗中,根據試驗力的不同和壓痕的深淺,即壓痕兩對角線算術平均值的不同,查表來確定試驗件的維氏硬度值。提交報告時,應將所采用的試驗力標志在硬度符號的左下角處。例:用試驗力49.03N所測的硬度值為700時,標示為700HV5(49.03N≈5kgf)。
我國標準GB/T 4340.1《金屬維氏硬度試驗第1部分:試驗方法》中,對試驗設備、試樣、試驗方法等都有明確的規定。
維氏硬度主要用來檢測淬火鋼和表面硬化處理件的硬度值。
表9-3是試驗力為98N測得的壓痕對角線長度對應的維氏硬度值,不同試驗力,應查對應試驗力的表。

表9-3 壓痕對角線長度d與維氏硬度值對照表(載荷98N)

續表

續表

續表

續表

續表

實測壓痕對角線超出表9-3的范圍時,硬度值的評定方法如下。
(1)將實測壓痕對角線長度值的小數點移動一位,變成表中含有的數值。
(2)按改變后的對角線數值查表9-3中標示的硬度值。
(3)將查得的硬度值的小數點向對角線小數點移動方向相同方向移兩位,所得值即為實測壓痕的硬度值。
例如,壓痕對角線實測值為2.01mm,求其硬度值。
(1)將對角線長度實測值2.01mm的小數點向左移動一位,變成0.201mm。
(2)查表9-3,對角線長度0.201mm的硬度值為459HV。
(3)將459HV的小數點向左移動兩位,為4.59HV。
(4) 4.59HV即壓痕對角線為2.01mm時所對應的硬度值。
對不銹鋼及其他金屬在不同熱處理條件、狀態下的硬度檢測方法中,除上面提到的布氏硬度試驗法,洛氏硬度試驗法、維氏硬度試驗法外,還有肖氏硬度試驗法(HS)、里氏硬度試驗法(HL)、顯微硬度試驗法等。
肖氏硬度與洛氏硬度的換算見附表三,里氏硬度換算見附表四。硬度換算值來源于不同資料,各表硬度值之間可能略有差別,僅供參考。材料硬度與抗拉強度有一定的關系,見附表五和附表六。
二、室溫拉伸試驗
室溫拉伸試驗是指在10~35℃室溫條件下(當有嚴格溫度要求時,確定為(23±5)℃),對金屬材料進行靜拉伸試驗。通過靜拉伸試驗,可以測量材料的屈服強度、抗拉強度、斷后伸長率、斷面收縮率等反映材料強度和塑性的基本性能值。為方便說明,先將金屬試樣受外力拉伸時的變形規律進行簡要的介紹。
當金屬材料試樣受拉力P時,將產生拉伸變形。力比較小時,試樣的伸長隨載荷成正比例增加,保持直線關系,力去除后試樣恢復原狀,這種變形叫彈性變形。當拉力增大到一定程度時,去掉拉力后試樣的伸長只能部分恢復,而保留一部分殘余變形。這個殘余變形叫塑性變形。當拉力再增加到一定值時,試樣在拉力不再增加或拉力減少的情況下而繼續伸長變形。此時,認為金屬發生了屈服。在屈服階段以后,要使試樣繼續變形,必須不斷增加拉力。隨著塑性變形增加,變形抗力不斷增加的現象叫形變強化,當拉力繼續增加到一定值后,試樣的某一部分截面開始急劇縮小,產生“縮頸”,這時,拉力開始減小,直至試樣斷裂。見圖9-4。

圖9-4 金屬拉伸應力—應變示意圖
在對試樣進行靜拉伸試驗時,某些特定點時的拉力P與試樣原始截面S0的比值,常被作為考核材料靜拉伸時的強度特性的標準。
1.屈服強度
當有屈服特征的材料,靜拉伸呈現屈服現象時,在試驗期間達到發生塑性變形而力不增加時的應力(外力與試樣原始截面之比)叫屈服強度,見圖9-4。試樣發生屈服而力首次下降前的最高應力(力P H與原始截面S0比值)叫上屈服強度,記為R。R= P╱S(N/mm2);在試樣屈服期間,不計初始效應eHeHH0時的最低應力(力P L與原始截面S0比值)叫下屈服強度,記為R。R= P╱S(N/mm2)。eLeLL0
但大多數金屬材料在靜拉伸試驗時,不產生明顯的屈服。這時,可確定一個發生一定殘留變形(εp)時的外力與原始截面比值作為規定非比例延伸強度,也叫規定非比例屈服強度。記為R P,見圖9-5。如規定非比例延伸率為0.2%,則此時的屈服強度即為R P0.2。

圖9-5 規定非比例延伸強度
材料靜拉伸試驗時屈服強度的測定方法有圖解法、指針法,還有用試驗機及試樣上安裝的測量系統來測定的。
屈服強度是機械設計中采用材料的重要指標之一。對于塑性材料,其強度計算一般以屈服強度為標準。
屈服強度還對材料某些使用和工藝性能有影響,例如,不銹鋼屈服強度越高,對應力腐蝕就越敏感,對氫脆也越敏感,對冷加工性、成型性和焊接性不利。
材料的成分、組織、狀態、溫度及加載速度對屈服強度都會產生影響。熱處理是改變材料屈服強度的重要手段之一。
2.抗拉強度
抗拉強度是相當于試樣拉斷前最大負荷時的應力,即試樣所能承受的最大拉力P m與試樣原始截面S0的比值,R m= P m╱S0。
對于塑性材料來說,試樣在拉斷前為均勻變形,試樣各部分的伸長基本是一樣的;在試樣承受最大拉力后,試樣出現縮頸,即試樣截面急劇減小,試樣能擔負的載荷減少。
抗拉強度,即強度極限的物理意義是表征材料最大均勻變形的抗力,表征材料在拉伸條件下所能承受的最大載荷的應力值。是設計和選材的主要依據之一。
抗拉強度的測定相對比較簡單。可以用圖解法或從設備測力盤上直接讀出最大拉力值,再除以試樣原始截面S O即可。
材料的抗拉強度與材料的成分、組織、狀態、溫度等條件有關。熱處理也是提高材料抗拉強度的重要手段。
3.延伸率
試樣的延伸率,即斷后伸長率是試樣拉斷后標距的殘余伸長L u-L0與原始標距L0之比的百分率,記為A。即

式中: L0為試驗前的原始標距(mm); L u為試樣拉斷后的標距長度(mm)。
伸長率受試樣尺寸影響,與試樣原始截面的平方根
及標距L0有關,因此,為了使同種材料不同尺寸的試樣得到一樣的伸長率,必須取
為常數。這個常數通常取5.65或11.3,對圓形試樣來說,相當于試樣標距L0和試樣直徑d0之比,即
為5或10。按以上兩種比例關系制作的拉伸試樣叫比例試樣,其他的叫非比例試樣。
當L0= 5d0時測得的伸長率記A5,L0= 10d0時測得的伸長率記A10,通常一種材料的A5>A10,所以,不同材料之間比較伸長率時,只能A5與A5之間或A10與A10之間比較。
4.斷面收縮率
試樣的斷面收縮率是試樣斷裂后,試樣橫截面積的最大縮減量,S0-S u與原始橫截面積(S0)之比的百分率記為Z。即

式中: S為試樣試驗前原始截面面積(mm2); S為試樣拉斷后0u斷口處內截面面積(mm2)。
伸長率A和斷面收縮率Z都是表征金屬發生塑性變形的能力,即表征材料的塑性。
對于許多機械零件來說,一般要求在彈性狀態下工作,不允許發生塑性變形。因此,在設計時把開始屈服變形作為屈服失效來考慮。可見,材料的塑性指標也是評價材料優劣的重要條件之一。
目前的力學性能有新舊兩種表示方法,都在使用,新舊表示方法的對照見附表七。
在我國標準GB/T 228《金屬材料室溫拉伸試驗方法》中,規定了金屬拉伸試驗方法的原理、試驗設備、試樣、試驗要求、性能測定等具體內容。
標準規定了金屬材料不同截面、不同規格、不同尺寸的試樣類型。主要有以下內容。
①厚度0.1mm~<3mm的薄板和薄帶使用的試樣類型。
②厚度不小于3mm的板材和扁材以及直徑或厚度不小于4mm的線材、棒材和型材使用的試樣類型。
③直徑或厚度小于4mm的線材、棒材和型材使用的試樣類型。
④管材使用的試樣類型。
機械工廠常用的圓形截面和矩形截面拉力試樣見圖9-6和圖9-7,試樣尺寸見表9-4~表9-6。

圖9-6 圓截面試樣

圖9-7 矩形橫截面試樣
表9-4 圓形橫截面比例試樣主要尺寸

注:試樣總長度L t取決于夾持方法,原則上L t>L c+4d。
※為優先采用試樣。
表9-5 矩形橫截面比例試樣主要尺寸

※為優先采用試樣。
表9-6 試樣橫向尺寸(圓截面: d;矩形截面: b)尺寸公差(mm)

三、沖擊試驗
沖擊試驗是評定金屬材料在沖擊載荷作用下的性能的方法之一。
沖擊試驗是用規定高度的擺錘,對處于簡支梁狀態的缺口試樣進行一次性打擊,測量試樣折斷時的沖擊吸收功。根據沖擊吸收功功的大小來評定試驗材料的韌性。見圖9-8。

圖9-8 沖擊試驗原理示意圖
1.擺錘 2.試樣
沖擊功A K=9.8×G(H1-H2) J
式中: G為擺錘重量(kg); H1為擺錘舉起高度(m); H2為擺錘沖斷試樣后擺動高度(m)。
試驗機的試樣支座及擺錘刀刃尺寸示意圖見圖9-9。
沖擊試驗的缺口形狀和尺寸各有不同,在GB/ T 229標準中,規定有2mm深的V形口,2mm深的U形口和5mm深的U形口三種。所測的沖擊吸收功分別標示為A kV、AkU2、A kU5。采用AkU2時有時只記Ak。
以上三種缺口試樣通常稱夏氏V形試樣和夏氏U形試樣。在國外還有

圖9-9沖擊試樣支座及擺錘刀刃尺寸示意圖
(符合GB/T 229標準)
ISO-V形試樣、ASTM-V形試樣、DVM試樣等。這些試樣有的與夏氏試樣相似,有的有較大差別。試樣開口的不同對同一材料測得的沖擊功有很大的差異,所以,在檢驗材料沖擊功或評價不同材料的沖擊功時,一定要注意試樣形式和測試方法。
在擺錘的刀刃尺寸上,GB/T 229標準規定刀刃圓角為2~2.5mm,而美國ASTM-A370標準規定刀刃圓角為8mm。其他國家標準的規定也各有不同,這也是評定材料沖擊功時應注意的一個問題。
沖擊試驗溫度一般原則規定室溫在10~35℃之間即可,有嚴格溫度要求的試驗應在(20±2)℃條件下進行。
沖擊試驗除在室溫條件下進行外,在許多情況下還要測定在高于室溫或低于室溫條件下的試驗值,這時應在沖擊前將試樣用介質加熱或冷卻至規定溫度,保持一定時間后立即進行沖擊試驗。
采用沖擊試驗測定材料的沖擊韌性時,評定方法除用測得的沖擊吸收功A k表示外,(A k值大表征材料韌性好),還有用測定試樣斷口的側向膨脹量L E大小評定,L E(mm)值大,表征材料韌性好,也有用試樣斷口面的剪切斷口百分率評定,剪切斷口百分率高,表征材料韌性好。
材料的冶金質量和鍛造、鑄造、焊接、熱處理等各熱加工工序的質量都對沖擊韌性產生較大的影響。
熱處理是調整金屬材料沖擊韌性的重要手段之一。
在我國標準GB/T 229《金屬夏比缺口沖擊試驗方法》中,規定了金屬材料缺口沖擊試驗的適用范圍、試驗原理、試驗設備、儀器、試樣、試驗等條件和要求。
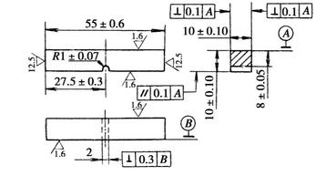
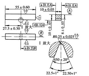
該標準規定常見夏比缺口試樣的形狀、尺寸見圖9-10和圖9-11。
不銹鋼和其他金屬材料一樣,評定其性能除了硬度、室溫拉伸、沖擊試驗外,還有壓縮試驗、彎曲試驗、扭轉試驗、高溫拉伸試驗、斷裂韌度試驗、磨損試驗等。

圖9-10 U形缺口沖擊試樣(缺口深2mm)

圖9-11 V形缺口沖擊試樣
揚州鑫億灃金屬材料有限公司服務熱線:19962535028是從事不銹鋼材料和無縫管深加工產品的研發,生產和服務的企業,提供:揚州不銹鋼管揚州不銹鋼板,揚州無縫鋼管,揚州合金鋼管,揚州鍋爐鋼管,揚州鍍鋅鋼管,專業品質,值得信賴!http://www.hnpingke.cn
